Finoo.id – √ Rangkaian Power Supply Regulator 12V 5A CT dan Simetrisnya. Power supply regulator adalah komponen penting dalam banyak aplikasi elektronika, berfungsi untuk menyediakan tegangan stabil yang dibutuhkan oleh perangkat elektronik. Pada artikel ini, kita akan membahas rangkaian power supply regulator 12V 5A CT (Center Tap) dan simetrisnya.
Power supply ini sering digunakan dalam berbagai sistem yang membutuhkan tegangan tetap dengan arus yang cukup besar, seperti amplifier audio, sistem kendali, atau aplikasi industri. Dengan menggunakan rangkaian ini, perangkat dapat beroperasi dengan lebih efisien, menghindari fluktuasi tegangan yang dapat merusak komponen.
Rangkaian power supply regulator 12V 5A CT dan simetrisnya memiliki keunggulan dalam menyediakan dua output tegangan yang seimbang (positif dan negatif) dengan referensi pusat (center tap) pada transformator. Desain simetris ini sangat berguna dalam aplikasi yang membutuhkan dua sumber tegangan berbeda namun tetap memiliki referensi yang sama.
Dalam artikel ini, kita akan mengeksplorasi cara kerja, komponen utama, serta kelebihan dan kekurangan dari rangkaian power supply tersebut, serta bagaimana cara merakit dan mengimplementasikannya dalam berbagai aplikasi.
Pengertian Power Supply Regulator
Regulator power supply adalah komponen elektronik yang sangat penting dalam menjaga kestabilan pasokan energi untuk perangkat-perangkat elektronik. Peran utamanya adalah untuk memastikan bahwa tegangan yang disalurkan tetap stabil dan sesuai dengan yang dibutuhkan oleh perangkat tersebut, meskipun kondisi tegangan masukan ataupun beban yang terhubung bisa berubah-ubah. Tanpa adanya regulator, perangkat elektronik bisa mengalami kerusakan akibat fluktuasi tegangan, seperti tegangan yang terlalu tinggi yang dapat merusak sirkuit atau tegangan yang terlalu rendah yang dapat menyebabkan perangkat tidak berfungsi dengan baik.
Dalam operasionalnya, regulator power supply bekerja dengan cara mengatur dan menyesuaikan tegangan masuk agar tetap dalam batas yang aman bagi perangkat. Komponen ini dapat berupa regulator linear atau switching, masing-masing memiliki keunggulan dan kelemahan tergantung pada aplikasi yang digunakan. Regulator linear, misalnya, menghasilkan tegangan yang lebih bersih dan stabil, namun kurang efisien dalam mengonversi energi, sedangkan regulator switching lebih efisien meskipun bisa menghasilkan sedikit noise pada outputnya. Dengan demikian, keberadaan power supply regulator yang handal sangat krusial untuk memastikan perangkat elektronik dapat berfungsi dengan optimal tanpa khawatir akan kerusakan akibat ketidakstabilan aliran listrik.
Fungsi Regulator Power Supply
Regulator power supply memiliki peran yang sangat penting dalam menjaga kestabilan pasokan daya pada perangkat elektronik. Fungsi utamanya adalah mengatur dan memastikan bahwa tegangan yang dikeluarkan tetap stabil, meskipun terjadi fluktuasi pada tegangan masukan atau perubahan permintaan beban. Tanpa regulator yang memadai, perangkat elektronik yang bergantung pada pasokan daya yang stabil bisa mengalami kerusakan akibat ketidakseimbangan atau ketidakstabilan arus listrik. Fluktuasi tegangan yang tinggi atau rendah, misalnya, dapat menyebabkan komponen sensitif pada perangkat seperti IC (Integrated Circuit), transistor, dan kapasitor mengalami kelebihan beban atau bahkan gagal berfungsi.
Selain itu, regulator power supply juga berfungsi untuk mengurangi gangguan atau noise pada output tegangan, yang dapat mengganggu kinerja perangkat. Dalam banyak aplikasi, terutama yang melibatkan sistem audio atau komunikasi, kebersihan tegangan sangat penting untuk memastikan kinerja optimal. Dengan adanya regulator yang efektif, perangkat elektronik dapat beroperasi dengan lebih efisien, menghindari kerusakan yang disebabkan oleh lonjakan arus atau tegangan yang tidak stabil, serta memperpanjang umur perangkat tersebut. Regulator juga membantu menjaga agar perangkat selalu bekerja pada kondisi yang ideal, menjamin kinerja yang konsisten dari waktu ke waktu tanpa terpengaruh oleh ketidakstabilan pasokan listrik.
Jenis-Jenis Regulator Power Supply
Regulator power supply tersedia dalam berbagai varian, yang masing-masing dirancang untuk memenuhi kebutuhan spesifik dalam berbagai aplikasi elektronik. Dua jenis utama yang sering digunakan adalah regulator linier dan regulator switching. Kedua jenis regulator ini memiliki pendekatan yang berbeda dalam mengatur tegangan, serta memiliki kelebihan dan kekurangan masing-masing. Berikut ini adalah penjelasan lebih lanjut tentang kedua jenis regulator tersebut.
1. Regulator Linier
Regulator linier adalah jenis regulator yang menyediakan perubahan tegangan secara linier, yang berarti tegangan output akan selalu lebih rendah dari tegangan input. Jenis regulator ini menggunakan perangkat pass yang mengatur resistansi secara kontinu untuk mempertahankan tegangan keluaran yang stabil. Regulator linier sangat dihargai karena desainnya yang sederhana, kemudahan dalam penggunaannya, serta biaya yang lebih ekonomis. Selain itu, regulator ini juga dikenal dengan tingkat kebisingan yang sangat rendah, menjadikannya pilihan ideal untuk aplikasi yang membutuhkan kestabilan tinggi dan sedikit gangguan, seperti dalam peralatan audio dan perangkat sensitif lainnya.
2. Regulator Switching
Regulator switching, meskipun lebih kompleks dalam desainnya, menawarkan fleksibilitas yang lebih besar dalam pengaturan tegangan. Regulator ini mampu mengubah tegangan menjadi lebih tinggi (step-up) atau lebih rendah (step-down), bahkan keduanya dalam beberapa kasus, memberikan fleksibilitas yang diperlukan dalam aplikasi yang lebih rumit. Dengan efisiensi yang lebih baik dan kemampuan termal yang lebih unggul, regulator switching sering menjadi pilihan utama untuk perangkat yang memerlukan pengelolaan daya yang lebih efisien. Meskipun membutuhkan komponen tambahan seperti FET (Field Effect Transistor), induktor, dan kapasitor, daya tarik utama dari regulator switching adalah kemampuannya untuk disesuaikan dengan berbagai kebutuhan aplikasi dan memberikan performa yang optimal pada konsumsi daya yang rendah.
Rangkaian Power Supply Regulator
Rangkaian power supply adalah sirkuit yang dirancang untuk menurunkan tegangan dari level tertentu agar dapat menyuplai daya ke berbagai perangkat elektronik. Salah satu jenis power supply yang paling sering digunakan adalah yang menghasilkan output tegangan 12 Volt DC.
Dalam bahasa Indonesia, power supply sering disebut sebagai catu daya atau adaptor. Adaptor yang umum digunakan adalah adaptor dengan output 12V. Tegangan 12V banyak digunakan karena sangat ideal untuk menjalankan berbagai perangkat elektronik, seperti LED, motor DC, dan relay. Selain itu, tegangan 12V juga dapat dengan mudah dikonversi menjadi tegangan lebih kecil, seperti 9V atau 5V, menggunakan voltage converter.
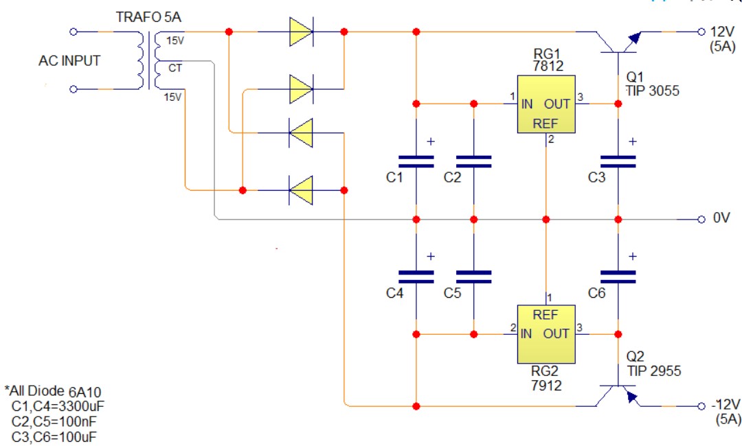
Pada rangkaian power supply ini, IC yang digunakan adalah regulator 7812. Angka “12” menunjukkan bahwa IC ini menghasilkan output tegangan yang stabil pada 12 Volt. Stabilitas tegangan ini berarti meskipun tegangan input berubah-ubah, output tetap terjaga pada 12V selama tegangan input lebih besar dari 12V (biasanya antara 14 hingga 20V). Sebelumnya, telah dibahas mengenai skema rangkaian catu daya 12V dengan arus 1A dan 3A. Untuk rangkaian yang memerlukan arus lebih besar, diperlukan peningkatan pada desain sirkuit.

Peningkatan yang dilakukan termasuk mengganti transistor driver TIP41 dengan tipe yang lebih besar, yaitu TIP3055. Transistor ini memiliki keunggulan dapat menyuplai arus lebih dari 5A. Namun, semakin besar arus yang disuplai, semakin besar pula panas yang dihasilkan. Oleh karena itu, pada rangkaian ini disarankan untuk menggunakan heatsink atau pendingin tambahan pada transistor untuk mencegah overheating dan memastikan kestabilan kinerja rangkaian.
Skema Rangkaian
Berikut adalah tiga jenis skema rangkaian power supply regulator stabil dengan output 5V dan arus maksimal 5A:
1. Rangkaian Power Supply 12V Trafo Biasa/Engkel
Rangkaian ini menggunakan penyearah gelombang penuh dengan empat dioda jembatan (Bridge Rectifier) tipe 6A10 (6A) untuk menghasilkan tegangan DC yang stabil.

2. Rangkaian Power Supply 12V Trafo CT
Rangkaian ini menggunakan dua dioda sebagai penyearah gelombang penuh, dengan bagian Center Tap (CT) pada transformator berfungsi sebagai titik ground.

3. Rangkaian Power Supply 12V Simetris
Rangkaian ini menggunakan penyearah jembatan untuk menghasilkan kedua gelombang positif dan negatif, dengan Center Tap berfungsi sebagai titik ground untuk tegangan simetris.

Cara Kerja Rangkaian
- Tegangan AC 220V pertama-tama akan diturunkan oleh transformator menjadi sekitar 15V AC. Output yang dihasilkan pada tahap ini masih berupa tegangan AC sinusoidal.
- Tegangan 15V AC sinusoidal kemudian disearahkan menggunakan dioda. Hasil dari proses ini adalah gelombang DC yang masih memiliki riak (ripple) yang cukup besar.
- Gelombang ripple ini akan dihaluskan dengan bantuan kapasitor Elco 3300uF dan 100nF, sehingga menghasilkan tegangan DC murni. Namun, tegangan tersebut belum stabil sepenuhnya.
- Tegangan DC yang tidak stabil ini kemudian distabilkan oleh IC 7812, yang diparalel dengan kapasitor 100uF. Output dari kaki 3 IC terhubung ke basis transistor untuk memberikan stabilitas lebih lanjut.
- Dioda yang terhubung ke kaki 2 IC berfungsi untuk menambah tegangan output sebesar 0,6V, sehingga tegangan output yang dihasilkan menjadi 12,6V.
- Transistor akan mencapai kondisi jenuh, sehingga tegangan output pada emitter akan mengikuti tegangan pada basis, namun dikurangi 0,6V. Hal ini menghasilkan tegangan output yang stabil kembali pada 12V DC dengan arus maksimal 5 Ampere.
BACA JUGA :
- Pengertian Power Supply, Fungsi, Jenis & Cara Kerjanya
- Skema Power Supply TV LED Polytron Yang Paling Tepat
- Rangkaian Skema Modul Power Supply Mesin Cuci Polytron
- √ Cara Merangkai Banyak Elco Untuk Power Supply Power Amplifier
Penutup
Dalam artikel ini, kita telah membahas secara mendalam tentang rangkaian power supply regulator 12V 5A CT dan simetris, termasuk cara kerjanya, komponen utama yang digunakan, serta langkah-langkah dalam merakitnya.
Power supply jenis ini sangat bermanfaat dalam berbagai aplikasi elektronika yang membutuhkan tegangan stabil dan arus cukup besar, seperti pada sistem audio, motor DC, atau aplikasi lainnya.
Dengan pemahaman yang lebih baik tentang cara kerja dan konfigurasi rangkaian ini, Anda dapat merancang dan mengimplementasikan power supply regulator sesuai dengan kebutuhan aplikasi Anda.
Meskipun rangkaian ini memerlukan komponen tambahan seperti heatsink untuk mengatasi panas berlebih, keuntungan dari menggunakan sistem CT dan simetris akan memberikan performa yang lebih stabil dan efisien.
Semoga artikel finoo.id ini bermanfaat bagi Anda yang ingin memperdalam pengetahuan tentang desain power supply regulator dan meningkatkan keterampilan dalam merakit sistem elektronik yang handal dan tahan lama.



